MS-B750VN

PRODUCT DESCRIPTION

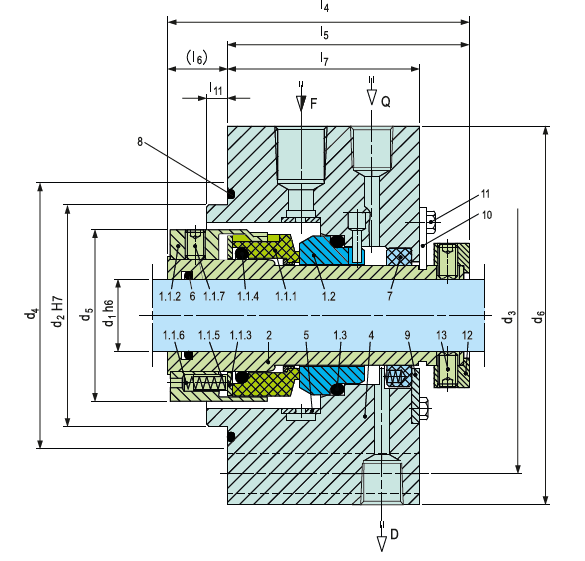
* Single Seal Configuration
* Balanced Design
* Independent of direction of rotation
* Cartridge construction
* Category 2 and 3, Type A, Arrangement 1
* Designed in accordance to API 682/ISO 21049
* Pumping device available for increased efficiency in circulation
(B750VP)
* Rotary unit with multiple springs

TECHNICAL FEATURES

* Designed for “Low-Emission” conforming to the American STLE-limits
* Can handle extensive applications in various temperatures and
pressures
* Versatile in design to fit various seal chambers
* Material of construction available in special metallurgy

Temperature: t = -40°C...+220°C (-40°F... +428°F)
Pressure:
p₁ = 40 bar (580 PSI)
Speed: = 23 m/s (75 ft/s)
Permissible axial movement: ± 2.0mm…4.0mm

MATERIALS AVAILABLE

Seal Face: Carbon graphite antimony impregnated (A),
Seat: Silicon Carbide (Q1,Q2)
Secondary Seals: Viton, EPDM, Kalrez, Nitrile
Springs: Hastelloy® C-4 (M)
Metal Parts: CrNiMo Steel (G), Duplex (G1), Hastelloy C-4 (M)

PERFORMANCE CAPABILITIES

MS-B750VN Data Sheet